販売可
販売可
パナソニック
溶接ロボット
TM-1400WGIII
詳細情報
年式
2016
取引形態
当社在庫
オプション
空冷Active 仕様により極低スパッタ溶接を実現できます。
お問い合わせ番号
21633
程度
☆普通
稼働時間
可搬重量
6kg
このロボット・機械のご購入・ご相談
・メールアドレスは正しくご入力下さい。(弊社より返信メールが届きません。)
・必須は必ず入力してください。
・お客様にご記入いただきました個人情報は厳重に管理致します。
・内容を確認し次第、担当者よりご連絡させていただきます。



大人気パナソニック製溶接ロボットの現行機種
TMシリーズの空冷Active仕様が入荷しました。
空冷Active (極低スパッタ溶接工法)
出展:https://connect.panasonic.com/jp-ja/products-services_welding/products/arc-welding-robot/tawerswg3
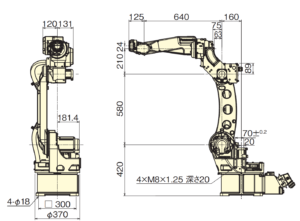
外形寸法
動作範囲
溶接定格使用率(最大350A)
※溶接定格使用率とは
例えば定格使用率80 % の場合、
10 分間のうち8 分間を定格溶接電流で使用し、
残り2 分間は休止する使い方です。 (8 分間÷10 分間)×100 % = 80 %